
Find out what makes AADCO’s attenuation drapes the best on the market.
We guarantee a lower price than what you’ve been paying for comparable items.
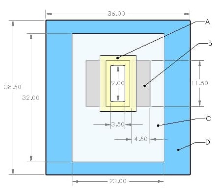
Available in multiple sizes, cutouts and lead equivalencies.
Custom drapes are also available. Please contact us to request a quote.
SWITCH TO X-DRAPE® TODAY AND SAVE A MINIMUM OF 10%
- Display 15 Products per page















